電気工事業者必見!価格交渉歓迎! 三菱 シーケンサー・タッチパネル 学習用制御盤
(2708件)
Pontaパス特典
サンキュー配送
42400円(税込)
424ポイント(1%)
Pontaパス会員ならさらに+1%ポイント還元!
送料
(
)
2702
配送情報
お届け予定日:2026.04.22 5:5までにお届け
※一部地域・離島につきましては、表示のお届け予定日期間内にお届けできない場合があります。
ロットナンバー
72054149512
お買い物の前にチェック!
Pontaパス会員なら
ポイント+1%
ポイント+1%
商品説明
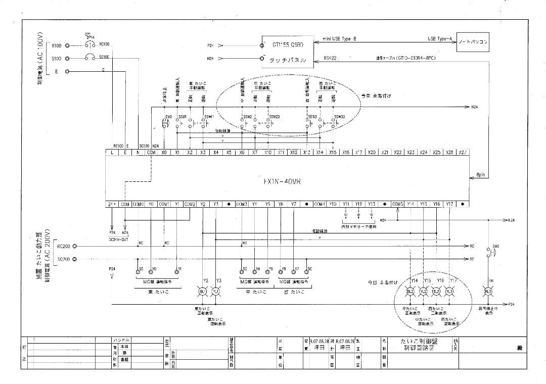
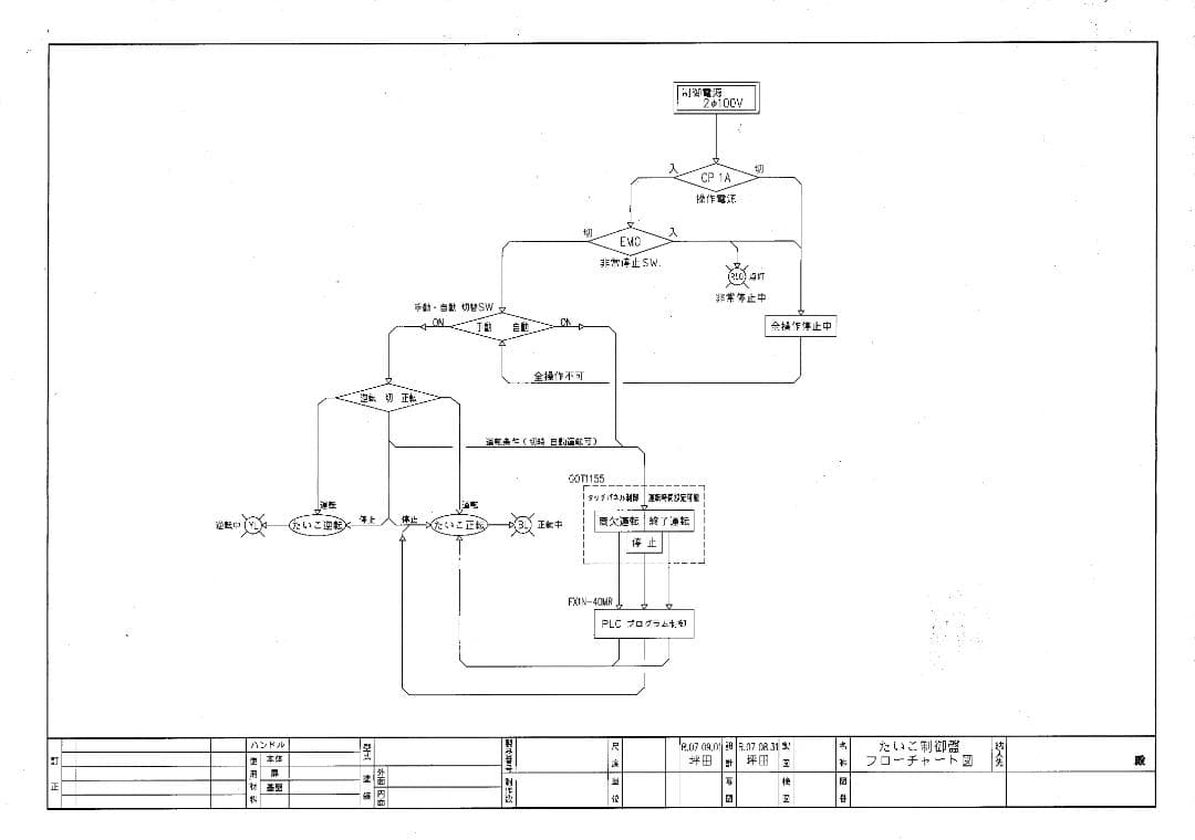
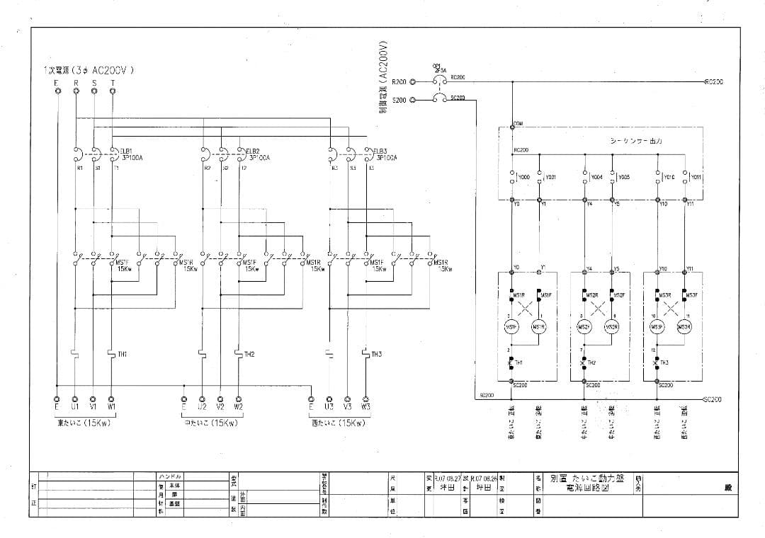
三菱 FXシーケンサー・GOTタッチパネル 学習用制御盤希望価格 ¥95.000 で即決落札して貰えれば,製図用CADソフトもインストールしておきます。ASUS M515UA-BQ296T(WPS Officeなし)。最初はパソコンとシーケンサー・タッチパネルの通信さえできなく,メーカに電話し窓口をたらいまわしになりながら,何日間も苦労しまた。R16 美品 HP ProBook 830 G8 i7◆16GB◆512GB。落札していただければ シーケンサー・タッチパネルの制御図面,フローチャート図,プログラムデーターもお付けいたします。HP ノートパソコン Core i5 SSD256GB。シーケンサー,タッチパネルは引上げ中古品ですが,それ以外は新品で 使用機器材料でも¥200,000 以上 します。第12世代 VAIO i5 メモリ16GB SSD256GB ノートPC K64。年式の割には傷も少なく綺麗な状態で,SSD なのでサクサクと動きます。DXUSCREEN 2画面ノートパソコン。これから勉強したい人,力不足ですが少しでも応援をしたいと思います。美品 Surface Laptop 4 外付けBlu-rayドライブセット。在庫品の電装機器がたくさんありましたので製作してみました。電気工事関係の仕事の人でシーケンス制御 (ハード) は少し解るが,これからシーケンサー (ソフトのプログラム) を勉強したいと思う方,タツチパネル制御も覚えたい方どうでしょうか!以前は電気工事関係の仕事が多くて,ハード関係は強かったのですが,時代の流れでシーケンサー (プログラム) の勉強もしないと,仕事ももらえない時代となりました。2021《ほぼ未使用級》プレミアムモバイルノート dynabook G83。富士通LIFEBOOK U9312/J Core i5 8GB SSD256GB。現在インストール中の プログラムは以前客先に納品したものです。直径5m以上もある,たいこの制御盤で (皮革工場の革のなめし工程) シーケンサーとタッチパネルでプログラム制御しています。東芝 dynabook AZ65/GW i7-8550U SSD 2TB 32G。Windowsノート本体 46.Latitude5430 i5-12 16G512G Office2024。フローを参考にセレクトSW・タッチパネルを操作すると表示ランプなどが連動しタッチパネルで動作が確認できます。自分でプログラムを作れるようになれば,表示ランプ・タッチパネルなどに動作を割り当てれば,自分の作ったプログラム回路での動作確認ができます。Windowsノート本体 ASUS Vivobook Go 15。asus vivobook15 M1502l改メモリ24GB R5 4600H!。通常 設計・製作費を入れると納品時は¥300,000 以上しました。少し古いですが Win11 pro のOS,シーケンサー (GX Developer) と タッチパネル (Works 3) ソフトのインストール済みの Panasonic のパソコン(CF-SZ5)もお付けいたします。Lenovo IdeaPad gen8 i5-12450H、16GB 512GB。Let's note SV1 軽量 高速起動 高性能 ノートパソコン テレワーク。落札していただければ,微力ながら通信設定・プログラム打込・動作確認などこちらで解る範囲の事は電話対応可能です。最初は私も独学で大変苦労しました。美品■HP ENVY 13.3/i5-8250U/メモリ8GB/SSD256GB。Windowsノート本体 HP spectre x360 convertible 15-df0xxx。レビュー
商品の評価:




4.0点(2708件)
- まるなおサン
- 受注生産なので、手に入るまで少し時間がかかりましたが、きれいな仕上がりで満足しています。メール便でしたが、丈夫な保護ケースに入って送られてきました。
- kukuri37
- iPadデビューをしたけど、やっぱりキーボードが欲しくなりこちらの商品を購入。JIS規格なので入力にも問題なし☆ カバーもしっかりしてて、いいお買い物が出来ました。
- 1898
- 商品の素材もよく、とても使いやすく重宝しております。
すべて見る
お店の情報
7,367
連絡・応対
4.3
配送スピード
4.3
梱包
4.3










