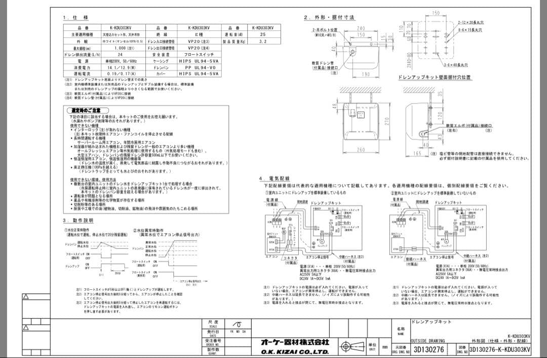
K-KDU303KV ドレンアップキット
(2707件)
Pontaパス特典
サンキュー配送
7493円(税込)
75ポイント(1%)
Pontaパス会員ならさらに+1%ポイント還元!
送料
(
)
2702
配送情報
お届け予定日:2026.04.21 3:3までにお届け
※一部地域・離島につきましては、表示のお届け予定日期間内にお届けできない場合があります。
ロットナンバー
17770218222
お買い物の前にチェック!
Pontaパス会員なら
ポイント+1%
ポイント+1%
商品説明
ご覧いただきありがとうございます。同じ製品複数所有しております。宜しくお願いいたします。。日晴金属クーラーキヤッチャー平地二段用 C-WG-L型。ダイキン工業 DAIKIN 【BRC1G3】液晶ワイヤードリモコン。【ゆか】【ジャンク品】BBK フロン回収機 エコマスターRM300レビュー
商品の評価:




4.5点(2707件)
- みーくん316
- 室外機の重量がかなり増えました。設置工事が大変になりましたが、性能がアップしているのなら、いいのですが。
- 0074797
- 機器を設置後室外機にガスが入っていなかった ダイキンサービスを呼んで対応する
すべて見る
お店の情報
7,367
連絡・応対
4.3
配送スピード
4.3
梱包
4.3










